Climatix Air System Graphic Templates

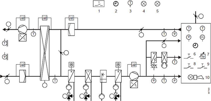
The document Climatix AHU BACnet Objects CB1Y3963en states that the Climatix application AHU includes all the common functionalities to control and monitor air conditioning units. The following schemas give an overview of selectable measured values and control equipment, as provided by the Climatix R&D unit and as provided by the Desigo CC graphic template.

Values and Control Equipment as Provided by the Climatix R&D Unit
Values and Control Equipment as Provided by the Climatix R&D Unit
Values and Control Equipment as Provided by the Desigo CC Graphic Template
Values and Control Equipment as Provided by the Desigo CC Graphic Template

The following table includes all the objects configured in the graphic template, which are displayed by Desigo CC depending on the respective availability in the configuration of the Climatix unit application.

The Climatix object names are listed here together with a short description of the object, the object data type to which they belong, and the associated function key in Desigo CC.

Climatix Object Name

Description

Object DataType

Desigo CCFunction Key

AirQuality

Air quality

AI

SensRoomQuality

ExhaustTmp

Exhaust Air Temperature

AI

SensTmp

ExhFilAlm

Exhaust filter pressure

AI

SensAirDeltaPrs

ExtraFrstTmp

Heating 2 forst temp

AI

SensTmp

ExtraSupplyTmp

Supply Air Temp 2

AI

SensTmp

ExtSetpointSpv

External Setpoint

AI

SptTmp

HrecSupplyTmp

HeatRecovery Supply Air Temp

AI

SensTmp

HrecWtrTmp

HeatRecovery water temp

AI

SensTmp

HtgFrstTmp

Heating frost temp

AI

SensTmp

OutHum

Outside Air humidity

AI

SensOutHum

OutTmp

Outside air temperature

AI

SensOutTmp

ReturnPrs

Exhaust Air Pressure

AI

SensAirPrs

RoomHum

Room humidity

AI

SensRoomHum

RoomTmp

Room temperature

AI

SensRoomTmp

RoomTmp2

Room temp 2

AI

SensRoomTmp

SplyFilAlm

Supply filter pressure

AI

SensAirDeltaPrs

SupplyHum

Supply air humidity

AI

SensAirHum

SupplyPrs

Supply Air Pressure

AI

SensAirPrs

SupplyTmp

Supply air temp

AI

SensAirTmp

CoolingPmpVarPos

Cooling pump

AO

PmpVrbl

CoolingPos

Cooling

AO

VlvVarClg

ExhFanVarPos

Exhaust fan

AO

FanVrbl

ExtraClgPmpVarPos

Cooling 2 pump

AO

PmpVrbl

ExtraHtgPmpVarPos

Heating 2 pump

AO

PmpVrbl

ExtraHtgPos

Extra Heating 2

AO

VlvVarHtg

HeatingPmpVarPos

Heating pump

AO

PmpVrbl

HeatingPos

Heating

AO

VlvVarHtg

HrecDampPos

HeatRecovery damper

AO

DamperVrbl

HRecPmpVarPos

HeatRecovery pump

AO

PmpVrbl

HrecPos

HeatRecovery

AO

VlvVar

HumidityCtrlPmpVarPos

Humidity pump

AO

PmpVrbl

HumidityCtrlPos

Humidity

AO

VlvVarHum

SplyFanVarPos

Supply fan

AO

FanVrbl

ActMainSpvClg

Actual cooling setpoint Main (depending on actual controlmode)

AV

SptTmp

ActMainSpvHtg

Actual heating setpoint Main (depending on actual controlmode)

AV

SptTmp

ActMainSpvHum

Actual humidity setpoint Main (depending on actual controlmode)

AV

SptHum

AirQSpv

Air quality setpoint

AV

SptAirQuality

HumSpvRelSpvDehum

Dehumidity setpoint relative

AV

SptHum

HumSpvRelSpvHum

Humidity setpoint relative

AV

SptHum

TmpSpvCoDz

Comfort temp deadzone

AV

SptTmp

TmpSpvCoSpv

Comfort temp base setpoint

AV

SptTmp

TmpSpvCoSpvClg

Comfort cooling setpoint

AV

SptTmp

TmpSpvCoSpvHtg

Comfort heating setpoint

AV

SptTmp

TmpSpvEcDz

Economy temp deadzone

AV

SptTmp

TmpSpvEcSpv

Economy temp base setpoint

AV

SptTmp

TmpSpvEcSpvClg

Economy cooling setpoint

AV

SptTmp

TmpSpvEcSpvHtg

Economy heating setpoint

AV

SptTmp

ManualMode

Manual mode

BV

MonMode

ScheduleSt

Schedule (variant step)

Calendar

 

ClgAlm

Cooling DX alarm

DI

MonAlm

ClgPmpAlm

Cooling Pump Alarm

DI

MonAlm

EmergencyStop

Emergency Stop

DI

SwtcBin

ExhFanAlm

Exhaust Fan Alarm

DI

MonAlm

ExhFanFBFbVal

Exhaust fan feedback

DI

MonStat

ExhFilterAlm

Exhaust Filter alarm

DI

MonFilt

ExtCtrl1

External Control 1

DI

SwtcBin

ExtraClgAlm

Cooling 2 DX alarm

DI

MonAlm

ExtraClgPmpAlm

Cooling 2 pump alarm

DI

MonAlm

ExtraHtgPmpAlm

Extra Heating Pump Alarm

DI

MonAlm

FireAlm

Fire Alarm

DI

MonFire

HRecAlm

HeatRecovery alarm

DI

MonAlm

HrecPmpAlm

HeatRecover Pump Alarm

DI

MonAlm

HtgPmpAlm

Heating Pump Alarm

DI

MonAlm

HumidityCtrlPmpCmdFBFbVal

Humidity pump feedback

DI

MonStat

SmkAlm

Smoke Alarm

DI

MonAirSmk

SplyFanAlm

Supply Fan Alarm

DI

MonAlm

SplyFanFBFbVal

Supply fan feedback

DI

MonStat

SplyFilterAlm

Supply Filter alarm

DI

MonFilt

SuWiSwtch

Summer\Winter input

DI

SwtcBin

AlmOutHigh

Alarm Output 1

DO

 

CoolingPmpCmdOnOff

Cooling pump cmd

DO

PmpDigital

DamperExhOnOff

Extract air damper cmd

DO

DamperBin

DamperSplyOnOff

Outside air damper cmd

DO

DamperBin

ExtraClgPmpCmdOnOff

Cooling 2 pump cmd

DO

PmpDigital

ExtraHtgPmpCmdOnOff

Extra Heating pump cmd

DO

PmpDigital

HeatingPmpCmdOnOff

Heating pump cmd

DO

PmpDigital

HrecPmpCmdOnOff

HeatRecovery pump cmd

DO

PmpDigital

HumidityCtrlCmdOnOff

Humidifier cmd

DO

CmdDigital

HumidityCtrlPmpCmdOnOff

Humidifier pump cmd

DO

PmpDigital

CoolingCmdDxSt

Cooling DX cmd

MSO

CmdStage

ElectricalHtgCmdStSt

Electrical Heating cmd

MSO

CmdStage

ExhFanCmdSt

Exhaust fan cmd

MSO

CmdStage

ExtraClgCmdDxSt

Cooling 2 DX cmd

MSO

CmdStage

ExtraElHtgCmdStSt

Electrical Heating 2 cmd

MSO

CmdStage

SplyFanCmdSt

Supply fan cmd

MSO

CmdStage

ActOpMode

Actual operating mode (State is depending on configuration)

MSV

MonMode

ActOpSta

Actual operating state (Reason for actual operation mode)

MSV

MonStat